Виды терморегуляторов
Термостаты подразделяются на следующие типы:
Механический

Достаточно простой, незамысловатый вид прибора, который выпускается в корпусе встраиваемого типа с наличием кругового переключателя, расположенного на лицевой стороне.
Для управления необходимо поворачивать переключатель по кругу. Некоторые производители оснащают прибор несколькими «ступенями» регулирования. Они обозначаются маркерными или цифровыми списками. Функциональный процесс рассчитан исключительно на ручной тип включения и выключения. Экономия затрат на электроэнергию практически отсутствует либо держится на минимальном уровне.
Цифровой

Достаточно популярный современный вид термостата. Даёт возможность осуществлять регулирование на максимально точном уровне. Выпускается в форме накладной конструкции (или встраиваемой) с наличием кнопочного или сенсорного системного ввода.
Цифровое табло предусматривает выставление желаемого температурного режима с минимальной степенью погрешности. Как дополнение возможно наличие автоматического отключения и выставление подачи электропитания на несколько градусов ниже, что позволит значительно экономить затраты на электроэнергию.
Программируемый

Дорогостоящее, но значительно эффективное устройство, которое выпускается как в виде встраиваемого типа небольшого размера, так и обладающее формами большой панели с наличием чувствительного сенсорного экрана.
Даёт возможность к установке максимально точной настройки рабочего процесса тёплых полов. Для этого вводится желаемый график работы по временному промежутку. Рабочий процесс устройства позволяет экономить существенный уровень затрат на электроэнергию.
Комбинированный

Напоминает простой блок регулятора с наличием внешней системы управления (внешний пульт). Механический прибор предусматривает ручное включение и отключение подачи питания.
Настройка, подразумевающая наличие внешнего пульта управления даёт возможность обойти стороной грубый монтаж конструкции на поверхность стены. Это является дополнительным преимуществом при уникальном дизайне помещения.
Установка
Правильная установка терморегулятора зависит от многих факторов. Давайте рассмотрим основные из них.
 
 Инструкция по установке теплого пола с терморегулятором
Место установки
Перед тем как подключить этот прибор, необходимо выбрать место его установки. Это важная составляющая корректной работы не только прибора, но и всего отопления в целом. Где же надо устанавливать терморегулятор:
- Оптимальная высота на стене 1,2-1,5 м.
- Недалеко от розетки.
- Если дверь открывается влево, то прибор необходимо устанавливать справа, и наоборот.
- Нельзя монтировать его около оконных проемов. Чем дальше от них, тем лучше.
Как подключить к электрической сети
Подключение терморегулятора проводится двумя вариантами:
- Просто включить его в розетку через штепсельную вилку и провод.
- Провести скрытую проводку от терморегулятора к розетке.
Второй вариант делается так. Устанавливаете прибор ниже розетки. Делаете на месте будущей установки отверстие под стандартный подрозетник, который покупаете заранее. Высверливаете коронкой в бетонной стене отверстие, куда и монтируется подрозетник. Между розеткой и местом установки терморегулятора делается штроба, куда закладывается провод.
 
 Штробы для проведения скрытой проводки
Как подключить терморегулятор и теплый пол
В самом терморегуляторе три выходных провода стандартной расцветки:
- Коричневый это фаза, он обозначается буквой «L».
- Синий – это ноль, обозначается «N».
- Желто-зеленый – это заземление, буквы «PE».
Кстати, провода идут в комплекте к прибору длиною 3 м и сечением 1 мм². Их называют «холодными». Почему? Потому что они соединяют терморегулятор с теплыми полами и термодатчиком. Это не нагревательные элементы.

Итак, терморегулятор необходимо соединить с теплым полом и температурным датчиком. Поэтому перед тем как подключить оба устройства между собой, необходимо от места установки терморегулятора до пола сделать вертикальную штробу, куда и закладываются провода.
Обратите внимание на корпус прибора, на нем всегда есть схема подключения терморегулятора. Ее и берем за основу. Она для всех простых моделей практически одинакова
Теперь проводим подключение:
Она для всех простых моделей практически одинакова. Теперь проводим подключение:
- Термодатчик необходимо подключить к клеммам номер 1 и 2. В данном случае полярность не учитывается.
- Кабель питания от розетки подключается к клеммам номер 5 и 6. При этом на пятую клемму сажается фаза, на шестую ноль.
- Нагревательный кабель подключается к клеммам номер 3 и 4.
Если в качестве электрического теплого пола используется двухкабельный вариант, то подключать сам теплый пол надо по клеммам 3, 4 и 5. При этом на пятую клемму сажается ноль питающего кабеля и заземление нагревательного кабеля. В этом случае будет срабатывать зануление, а не заземление. Эта схема предложена производителем.

Но тут есть один нюанс. Если в вашем доме используется электрическая схема «TN-C-S», тогда теплый пол необходимо обязательно заземлять. Потому что установленный в распределительном щитке УЗО будет все время срабатывать, отключая всю сеть.
К сожалению, не во всех терморегуляторах предусмотрена встроенная линия заземления, поэтому клемма «PE» отсутствует. Что делать в этом случае? К примеру, вот такая схема, которая себя оправдывает:
- Питающий кабель подсоединяется к 5 и 6 клеммам (к пятой ноль, к шестой фаза).
- Два провода одножильного кабеля (они белого цвета) к клеммам номер 3 и 4.
- Заземляющие провода соединяются к клемме номер 5.
Как видите, установка терморегулятора – дело не самое простое. Во всяком случае, это касается электрического подключения всех элементов теплого пола. При этом приходится учитывать не только схему подключения проводов между прибором и нагревательным кабелем, но и между регулятором и температурным датчиком
Здесь важно ничего не перепутать
 
 Подключение теплого пола и терморегулятора к сети
Многих начинающих мастеров интересует вопрос, касающийся такой темы, как – схема терморегулятора. А точнее, можно ли своими руками собрать ее? Никаких проблем в этом нет. Схема достаточно проста, в интернете вы найдете несколько предложений от опытных электриков, которые самостоятельно собирают их, используя в собственном доме.
Преимущества и недостатки
Как любой другой прибор, терморегулятор для подогрева полов имеет ряд преимуществ и недостатков.
Среди главных достоинств прибора можно выделить:
- Простоту управления.
- Доступную ценовую политику.
- Экономию затрат на оплату электроэнергии.
- Эргономические качества устройства.
- Лёгкость проведения установки.
- Наличие возможности автоматически настроить систему включения и отключения тёплого пола.
- Наличие возможности регулировать температурный режим.
- Высокое качество оборудования.
- Надёжность работы регулятора.
- Установленную функциональную память, которая обеспечивает сохранение настройки в случаях отключения электроэнергии.
Недостатков у прибора практически нет. Основной минус состоит в сложности функционального программирования системы настроек. Однако, разобравшись один раз при установке, в дальнейшем сложностей не возникает.
Для каждого вида пола находится свой тип термостата.
Не работает термостат — как проверить?
В то же самое время не ждите каких-то глобальных изменений при замене термостата одной модели на другую. Бытует мнение, что если теплый пол не догревает, то стоит поменять терморегулятор на более дорогой, все само собой изменится.
Тут же поднимется температура воздуха в комнате, и там, где ранее было холодно, наступит жарища. Грубо говоря, термостат – это своего рода спидометр в вашем автомобиле.
Можете на спидометре нарисовать 300-350км/ч, но если движок не способен выдать такой мощи, то и данной скорости вам не видать. Если что-то и виновато в плохой работе теплых полов, то в первую очередь смотрите на температурный датчик.
Проверить работоспособность термостата очень просто. Подаете на него питание 220В и подключаете выносной датчик.
Далее, вместо теплого пола подсоединяете к термостату обычную лампочку накаливания. Начинаете выкручивать ручку, изменяя температуру.
В определенный момент лампочка должна загореться.
Далее зажимаете в руке температурный датчик и ждете. При нагреве от вашего тела исправный термостат сработает, и лампочка потухнет.
Если датчик запрятан глубоко в стяжку, то можете прогреть это место феном и дождаться такого же эффекта. Когда лампа никак не реагирует, это говорит о неисправности устройства.
Самый быстрый способ ремонта в этом случае – перевод работы с датчика пола, на встроенный в корпус датчик воздуха.
Концы кабеля на девайсе от напольного источника температуры придется откинуть, а настройки самого прибора перезагрузить.
Работать все это будет корректно при условии установки терморегулятора непосредственно в обогреваемом помещении.
Если у вас электронный термостат с ШИМ управлением, то при вышеприведенном способе проверки, не рекомендуется слишком быстро нагревать датчик посторонним источником тепла. Чем это чревато?
Во-первых, термостат тут же зафиксирует не нормальный рост тепла и сработает раньше времени. Во-вторых, “умные мозги” девайса принудительно отключат обогрев на ближайшие 20 минут.
При этом температура уже через 5 минут на дисплее устройства будет достаточной для включения, а запуска и замыкания контактов не произойдет. Вследствие чего у вас возникнут сомнения в корректности работы терморегулятора.
Поэтому проверка с быстрым нагревом идеально подходит для механических устройств, а с электронными будьте осторожны.
Варианты подключения
- К системе тёплого пола;
- К ТЭНу;
- К обогревателю.
Подключение термостата к системе тёплого пола
Стандартный терморегулятор тёплого пола идёт в комплекте поставки с подробной инструкцией подключения прибора к системе тёплых полов. Можно подключать ТР самостоятельно, пользуясь обозначениями под клеммниками.

 Нагревательный мат тёплого пола
На тыльной стороне регулятора расположены три пары клеммных гнёзд для проводов. Первая пара предназначена для подсоединения двужильного сетевого кабеля. Гнездо «L» – фаза, «N» – ноль.
Вторая пара гнёзд предназначена для соединения с выводами тёплого пола – L1 и N1. Пятую и шестую клемму используют для того, чтобы подключаться к датчику температуры.

 Подключение терморегулятора
Регуляторы температуры полов могут быть вставленными в подрозетник или закреплёнными на стене. Термодатчик бывает, как встроенным в корпус прибора, так и установленным на конце выносного кабеля.
В первом случае происходит замер температуры воздуха внутри помещения. Во втором варианте датчик измеряет степень нагрева финишного покрытия пола.
Подключение термостата к ТЭНу
Подключение термостата к электрическому нагревателю приходится осуществлять через магнитный пускатель. Это связано с тем, что мощность регулятора далеко несопоставима с мощностью ТЭНов.
Магнитный пускатель (МП) нужен при управлении термостатом сразу несколькими приборами обогрева. МП врезают в фазовый провод параллельно с терморегулятором. Регулировка режимами работы тенов осуществляется термостатом, ток питания проходит через МП. Это даёт возможность использовать трёхфазную электросеть, что позволяет эксплуатировать нагревательные элементы большой мощности.
Многие ТР оснащены электронными микропроцессорами, которые выдают дополнительно показатели уровня влажности, давления и времени, необходимого для достижения величин заданных параметров.
Подсоединение терморегулятора к обогревателю
Термостаты бывают механического и электронного действия. Последнее время вторые модели активно вытесняют своих механических аналогов. Применение современной электроники позволяет более эффективно управлять температурным режимом в заданной среде.
ТР для обогревателей помещений встраивают в корпуса калориферов или выносят на удаление от приборов отопления. Регулятор, прежде всего, подключается к электрической сети, затем через схему управления соединяется непосредственно с термодатчиком.
Дополнительная информация. Инфракрасные обогреватели соединяются с термостатом в большинстве вариантов через магнитный пускатель. Чтобы выполнить правильное подключение прибора, нужно строго следовать пунктам прилагаемой инструкции.
Особенности, как подсоединяют устройства регуляции температурного режима, зависят от вида отопительных приборов. Это может быть одножильное или двужильное подключение ТР тёплых полов. Подключение двухфазного термостата к нагревательным элементам трёхфазного тока осуществляется только через магнитный пускатель. Для водяного отопления терморегулятор врезают прямо в радиатор. В каждом конкретном случае существует своя схема подключения терморегулятора.
Общие принципы подключения терморегуляторов к теплому полу
Терморегулятор нужно ставить и подключать после монтажа теплого пола и тестирования его работы. Перед подключением следует заранее отключить подачу питания в доме на автомате. До установки система уже вмонтирована, имеются все главные провода, а также есть провод от датчика – так называемый холодный конец и кабель от электрического щитка. Обычно на приборе указывается схема подсоединения. Это позволяет владельцам выполнять подключение своими руками без помощи профессионалов.
Схема подключения
Выбор подходящего места установки терморегулятора
При настенном методе монтажа нужно выбрать место, где имеется свободный доступ для комфортного дальнейшего настраивания и обслуживания термостата. Есть несколько советов, которые следует соблюдать, выбирая место для термостата:
- не устанавливать устройство рядом с окном, где есть сквозняк и прямое попадание лучей солнца;
- не размещать на внешней стене со стороны улицы;
- дистанция от терморегулятора до поверхности пола должна быть минимум 40 сантиметров;
- если в комнате, где подключается прибор, высокая влажность, то лучше установить регулятор в смежном помещении, поскольку такие устройства не имеют должной защиты от воды и влаги.
Кроме того, на выбор места монтажа влияет длина кабеля датчика. Если терморегулятор является встроенным, то в стене нужно предусмотреть нишу для него, где будет монтироваться электрика. От созданного углубления в стене нужно выполнить штробы, куда укладываются кабели. Их глубина должна соответствовать удвоенной ширине гофротрубы. В одной трубе укладывается провод силовой, а в другой – кабель терморегулятора.
Схема подключения проводов к терморегулятору
Практически все виды терморегуляторов имеют подобный принцип и последовательность подключения. Каждый прибор поставляется с инструкцией и схемой подсоединения. Внешне терморегулятор – это короб квадратной формы с разводом проводов. На задней стороне должна быть нарисована схема подключения кабелей. Даже домашний мастер, не имеющий опыта, сможет разобрать такую инструкцию, поскольку здесь все клеммы нумеруются:
- для кабеля питания;
- для элементов нагревания;
- для датчика теплого пола.
Встречаются устройства, в которых для подключения земли предназначена отдельная клемма в виде зелено-желтого кабеля. Современные модели с дистанционным пультом имеют еще одну клемму – для подключения требуемых каналов.
Установка регулятора: необходимость использования прибора
Термодатчик – это гарантия бесперебойной работы теплого пола без перегрева и раннего выхода из строя. Несмотря на то, что водяной теплый пол может работать без наличия датчика (при отсутствии оборудования в закладываемом проекте), монтаж оборудования позволит менять уровень нагрева, что, согласитесь, совсем нелишне в определенные сезонные подвижки погоды. Кроме того, системы с жидкими теплоносителями, где устройство регулирует работу трехходового клапана или/и циркуляционного насоса, получают возможность нагреваться до нужной температуры без зависимости от показателей температурного режима теплоносителя.
Схема подключения теплого пола к терморегулятору
Важный момент в устройстве теплых полов – подключение теплого пола к терморегулятору. От этого прибора зависит поддержание комфортной температуры в помещении при наиболее экономном расходе энергии.
Терморегулятор для водяной системы тоже может быть двух видов: термомеханический (на основе термостатической головки) и электронный, объединенный с сервоприводом.
Для водяной системы установка терморегулятора не так обязательна, как для электрической. Если сам котел работает не на электричестве, больших финансовых потерь из-за неоптимизированной работы пола не будет.
При желании можно регулировать подачу теплоносителя вручную, ориентируясь на субъективные ощущения. Но это в том случае, когда пол – единственный источник обогрева, и котел в соответствии с настройками греет теплоноситель до температуры не выше 50 градусов. Если в системе присутствуют горячие радиаторы или контур ГВС, регулятор следует установить.
Самый простой вариант автоматической регулировки – установить на двухходовой клапан термостатическую головку с выносным датчиком. Головка заполнена термочувствительным веществом, которое при нагреве расширяется, при остывании сжимается, одновременно перекрывая/открывая подачу теплоносителя.
Для большого дома и разветвленной отопительной сети лучше приобрести несколько термостатов с сервоприводами.
Схема подключения терморегулятора для водяного теплого пола выглядит так: сервопривод устанавливают на обратную гребенку коллектора, от него тянут провода к терморегулятору с датчиком температуры воздуха.
Электрическая распредкоробка для привода и термостата располагается в коллекторном шкафу выше гребенок, кабель от нее уходит на распределительный щит.
Установка
Если у вас есть определенные строительные навыки и опыт, то данная задача не покажется вам сверхсложной. Тут главное четко следовать инструкции. Делать все не спеша, после полного отключения электроэнергии. После укладки пола вам надо будет поставить термостат.

Монтажные работы зависят от типа контроллера. Если он встроенный, то в стене необходимо оставить специальную нишу. Накладной вариант характерен тем, что нужно здесь заранее отметить место расположения, и только потом неподалеку поставить термодатчик.


Термостат подключать собственноручно значительно легче. Обратитесь с квалифицированным мастерам, если не до конца уверены в своих силах. Это сэкономит и время, и деньги, если что-то поломается во время любительского монтажа.

Отдельно придется устанавливать и датчики, без которых не может эффективно функционировать вся система подогрева. В гофрированную трубку укладывают провода и термодатчик, которые идут к регулятору. Все это размещается аккуратно в стене.

Отличия в подключении термостата от вида кабеля
Схемы подсоединения терморегулятора к тёплым полам с разным кабелем, не значительно, но отличаются. У кабелей различное строение и количество жил, бывают: двухжильные и одножильные.
Подключение к термостату двужильного кабеля
Двужильный кабель — три провода под защитной оболочкой. Два токопроводящих (коричневого и синего цвета), один заземляющий (жёлто-зелёный). Данный вид предпочтительней при оборудовании тёплых полов, так как подсоединяется к термостату только одним концом.
Схема подключения:
- в 3 клемму вставляется коричневый фазовый проводник;
- в 4 — синий нулевой;
- в 5 — заземляющий.
 Схема с двужильным кабелем
Схема с двужильным кабелем
Одножильного кабеля
Одножильный кабель — в нём всего один токоведущий провод, а второй заземляющий. Особенности подключения следующие:
- к 3 — 4 контакту подсоединяются оба конца токоведущего кабеля;
- к 5 подводится заземление.
 Схема с одножильным кабелем
Схема с одножильным кабелем
Виды терморегуляторов
Существует три вида теплых полов:
- Инфракрасные.
- Электрические.
- Водяные.
Ключевым элементом в этих системах является терморегулятор (термостат). С его помощью вы сможете регулировать абсолютно все параметры работы системы. Устройства бывают электрические, программируемые и механические (последние практически не используются). При помощи специального датчика оператор может задавать время включения и выключения теплого пола или же менять температуру в каждом помещении.
Монтаж устройства осуществляется классическим навесным способом или при помощи специальной монтажной коробки. Для подключения датчика используется электрическая сеть со стандартными параметрами.

Подключение терморегулятора
Как подключить теплый пол к терморегулятору?
В отличие от электрических полов, в водяном тёплом поле наличие терморегулятора не обязательно.
Но его установка избавит от хлопот с поддержанием комфортной температуры.
Под терморегулятором понимается целая система приборов:
- Термостаты устанавливаются в каждой комнате и передают через коммутатор информацию о температурах.
- Сервопривод – исполнительный механизм, который по команде открывает или закрывает подачу теплоносителя в нужный контур.
Терморегуляторы могут быть механическими и программируемыми. Первые управляются поворотом ручки или кнопками, но в любом случае человеком. Программные стоят дороже, управление немного сложнее, но они могут снижать температуру или отключать систему ночью, когда хозяина нет дома, в определённые дни недели и т. д. Этим экономятся ресурсы, и прибор окупает себя.
Терморегулятор может быть накладным и встраиваемым (т. е. устанавливается на стену при помощи саморезов или заглубляется в стену). На работу способ установки не влияет – всё зависит от интерьера и вкуса хозяина.
Для водяных полов датчик терморегулятора обычно измеряет t в помещении, а не у поверхности пола (система более инертна, чем у электрического варианта). Но при этом подходе сквозняки могут давать погрешности. Теплый пол нужно подключать по схеме соединения.
Схема подключения теплого пола к терморегулятору
Схема подключения теплого пола к терморегулятору:
- Выбор подходящего места. Чтобы показания были точными, на стене, где будет датчик не должно быть радиаторов. На прибор не должен падать солнечный свет. Высота от пола – 1-1,4м.
- Если контур один – коммутатор не нужен. Термостат напрямую соединяется с сервоприводом.
- Либо терморегулятор ставится в цепь управления циркуляционным насосом. В этом случае все контуры будут взаимосвязаны, и температура будет регулироваться одинаково по всему дому.
- Проверить работу можно при помощи внешнего термометра. Установить нужный режим терморегулятора и измерять t в месте установки термодатчика в течение нескольких часов. Не должно быть сильных колебаний температуры.
После того, как система будет собрана, осуществляется проверка её герметичности. Удачное испытание позволяет перейти к следующему этапу – заливке стяжки и финишному покрытию пола.
Производить работы по залитию стяжки нужно, не отключая воду, чтобы трубы были под давлением и не деформировались.
Немного теории
Любой терморегулятор конструктивно включает в себя три основных блока:
- измерительный;
- логический;
- исполнительный.
Теоретически температурный датчик можно представить набором из четырех сопротивлений, среди которых три резистора будут представлены элементами с постоянными электрическими параметрами, а четвертый переменным. Они собираются в схему измерительного полуплеча, приведенную на рисунке 1 ниже:
Рис. 1. Датчик из полуплеча резисторов
На схеме показан принцип соединения резисторов для получения температурного датчика. Как видите, сопротивление R2 является переменным и меняет физическую величину в соответствии с изменениями температуры окружающей среды. При подаче одного и того напряжения питания в терморегуляторе, при изменении сопротивления в плече будет возрастать ток в цепи.
На основании изменений происходит анализ температурных колебаний в результате которого рабочий орган вызывает срабатывание терморегулятора и последующее отключение или включение оборудования.
Для измерения сопротивления резисторов в качестве логического элемента устанавливается микросхема, работающая в режиме компаратора. Ее задача сравнить электрические сигналы в двух плечах. Пример схемы регулятора температуры приведен на рисунке:
Рис. 2. Принципиальная схема терморегулятора
Здесь блок микросхемы U1A принимает сигналы от измерителя температуры на входы 2 и 3. При достижении температуры срабатывания, в плечах начнет протекать разный ток, и компаратор выдаст на управляющий элемент электронного терморегулятора сигнал о включении.
При остывании датчика термометра ток в плечах терморегулятора уравняется, и электронный блок выдаст управляющий сигнал на отключение. Приведенная электронная схема работает в двух устойчивых состояниях – отключенном и включенном, чередование рабочих режимов происходит в соответствии с заданной логикой.
Эта схема терморегулятора используется в работе куллера персонального компьютера, получая электроснабжение от блока питания, происходит сравнение тока в плечах. Когда блок питания перегреется, терморегулятор переведет транзистор в противоположное состояние и вентилятор запустится.
Такой принцип может применяться не только в вентиляторах, но и в ряде других устройств:
- для контроля работы электрического отопления по температурным показаниям в помещении;
- для установки уровня температуры в самодельном инкубаторе;
- при подключении теплого пола для контроля его работы;
- для установки температурного диапазона работы двигателя, с принудительным охлаждением или отключением системы при достижении граничного значения температуры;
- для паяльных станций или ручных паяльников;
- в системах охлаждения и холодильном оборудовании с логикой снижения температуры в определенных пределах;
- в духовках, печах как бытового, так и промышленного назначения.
Сфера применения терморегулятора ничем не ограничена, везде, где вы хотите получить контроль уровня температуры в автоматическом режиме с управлением питания, такое устройство станет отличным помощником.
Это интересно: Как найти мощность, зная силу тока, напряжение и сопротивление: внимательный взгляд на вопрос
Способы монтажа терморегулятора
Прежде чем подключать любую разновидность электрического пола, следует выбрать место установки терморегулятора. С помощью этого устройства в процессе эксплуатации будет осуществляться управление системой, и поддерживаться комфортная температура в помещении. Также термостат необходим для подключения нагревательных элементов к сети электропитания. Терморегуляторы выпускаются в широком ассортименте, это могут быть простые механические приборы или интеллектуальные устройства
В любом случае важно понимать, как подключить регулятор теплого пола.
Устройства, оснащенные встроенным датчиком для регистрации температуры воздуха в помещении, необходимо располагать в местах, защищенных от источников тепла, на расстоянии 1,5 метра от пола.
 
Перед началом монтажных работ следует выбрать способ подключения регулятора теплого пола. Это может быть входящая в комплект розетка или стандартное подключение к электрощиту.
На каждом температурном регуляторе теплого пола изображена схема подключения. С ее помощью установка термодатчика теплого пола становится доступной для простого домашнего мастера.
 
После установки термостата можно приступать к подключению кабелей, к распределительной коробке вначале подводят фазу, а затем заземление и ноль. В стене делают углубление в виде канавки, где будут размещены две пластиковые трубки. В одной из них будут уложены силовые провода нагревательного кабеля, в другой – провода внутреннего датчика, который устанавливают под напольным покрытием. После выполнения указанных мероприятий приступают к монтажу и подключению теплого пола к терморегулятору.
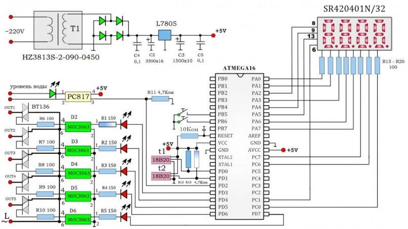
Цифровое устройство
Чтобы сделать такой терморегулятор своими руками, необходимо учесть несколько важных моментов:

Микроконтроллер соединяют с термодатчиком. Элемент обязательно должен быть снабжен портами под стандартные светодиоды, которые работают с генератором.

О рабочем состоянии устройства свидетельствует автоматическое включение светодиодов. Напряжение в сети должно быть 220V.

Сбой в настройках не влияет на функциональность регулятора благодаря встроенной памяти в микроконтроллере, которая возвращает настройки к заданным изначально параметрам.

Благодаря данным особенностям, прибор настраивается единожды. Микроконтроллер со встроенной памятью после сбоев восстанавливает данные.





































